马其顿某金属加工企业10吨每小时软化水设备 
          
            
              | 联系人: | 黄经理 | 
            
              | 手机: | 183-2160-3158 | 
            
              | QQ: | 212387293 | 
            
              | 地址: | 上海市金山区金张公路366号 | 
            
              |  | 在线咨询 更多信息 | 
            
              | 分享: |  | 
          
         
        
        
        
       
      
      
      
      
       
       
      
       
      
      
      
      
        
          
案例详情
        
        项目名称:马其顿某金属加工企业10吨每小时软化水设备
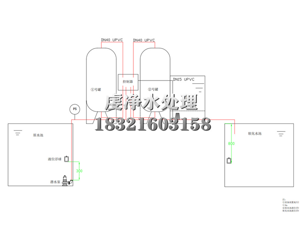
设备类型:一用一备软化水设备(含原水泵、原水池、软化水池液位控制)
案例资料:马其顿某金属加工企业是当地一家私人企业,主要产品为各种金属钉。虔净水处理为其设计提供的10T/h软化水设备采用单阀双罐控制阀,一用一备。原水池的水经提升泵后进入软化罐后进入软化水池以达到将硬水软化的目的。设备配备有全自动控制柜、原水泵、原水池液位、软化水池液位、低压开关等,具备无水/水满停机、故障报警等功能。
现场图片:
 安装示意图:
 安装示意图:
 相关知识:软化水设备主要用于去除水中的钙镁离子,降低水的硬度,广泛的应用于金属加工行业。
相关知识:软化水设备主要用于去除水中的钙镁离子,降低水的硬度,广泛的应用于金属加工行业。